臥式離心機與立式離心機對比
Comparison between horizontal centrifuge and vertical centrifuge
|
臥式全自動排礦離心機 |
立式手動排礦離心機 |
控制方式 |
PLC電腦全自動控制 |
人工手動控制 |
卸礦方式 |
自動 |
手動 |
轉子結構 |
臥式(兩端固定) |
立式(下端固定) |
穩定性 |
高(使用壽命高) |
低(使用壽命低) |
安裝方式 |
不需要水平硬化基礎 |
水平硬化基礎 |
進料方式 |
沙泵(能控制進料濃度在30%) |
高低落差自流(不能控制進料濃度) |
回收率 |
90%以上 |
70% |
應用于移動設備 |
能 |
否 |
最大型號 |
1200# 及以上(需要訂制) |
80# |
名稱 Production |
規格 Specification |
數量 Quantity |
功率 Power |
單價 Unit price |
總價 Total price |
備注 Remark |
一號移動式交叉洗礦設備 No.1Mobile desliming machine
|
振動給料機(Vibrating Feeder):3896# 15KW 脫泥漿設備(Desliming machine):4200*1500 37KW*1臺 6inch沙泵sand pump+30KW電機motor 底盤(Truck chasis):1套(set) |
1套 (set) |
|
|
|
|
二號移動式篩分脫泥設備 No.2Mobile trommel dewater machine
|
進料斗(Feed Hopper):3.4*2.85m 滾筒篩(Trommel screen):內徑1米,外徑1.3米,凈篩網長度2.5米,內含多條鉸刀,鏈條驅動 Inner dia.:1m,outer dia.:1.3m,screen mesh 2.5m,including reamers all over the trommel screen,driving with chain 底盤長度:約10m Truck chasis:About 10m 輪胎:4軸16條輪胎 900-2# Tyre: 4axle16 wheels900-2# 沙泵&料箱:6寸 +30KW電機 Sand pump#mineral box:6inch+30kw motor 離心水泵(Centrifugal pump) :18.5KW 1臺 分水器(Water segregator):帶閥門 with valve 脫泥篩:篩板尺寸:2000*3850 Desliming screen:screen mesh:2000*3850 旋流器(Hydrocyclone):350# 2臺 電機(Motor):3.2KW*2臺 沙泵(Sand pump):4寸沙泵sand pump+15KW電機motor+泵箱mineral box 機械支腿:4條 Mechanical leg:4pcs |
1套(set) |
|
|
|
含機器本身使用管道,不含外部水源至機器管道 Including the water pipes of machine use,excluding the pipes to water resource
|
三號移動式離心選礦設備 No.3 mobile centrifgual separating car |
1.底盤chassis: 四軸16條9.00-2#輪胎; 自制重型汽車底盤,采用56#\25#工字鋼梁焊接 4 axle 16 tire 9.00-2 1套1set - 含牽引&轉向系統 Including traction & steering system 2.離心機Centrifuge 規格:1200#臥式全自動排礦 Specifications:1200# horizontal fully automatic ore discharge PLC電腦全自動控制 PLC computer automatic control 3.空氣壓縮機:3KW*1臺 Air compressor: 3kw * 1 set 4.電機:18.5KW*1臺Motor: 18.5kw * 1 set2臺 5.液壓系統Hydraulic system 液壓站1臺 1 hydraulic station 液壓支腿8條 8 hydraulic Outriggers 1套 6. 離心水泵Centrifugal pump 流量:200;揚程20米;6進5出輸送距離200-300米 Flow: 200m3/h; conveying distance: 200-300m; lift: 20m Inlet: 6 inches; outlet: 5 inches 1臺 含進水管道12米(橡膠鋼絲管),出水管道30米(消防水帶),超出部分由配件選擇。 The water inlet pipe is 12m (rubber steel pipe), and the outlet pipe is 30m (fire hose). The excess part is selected by accessories. 7. 7寸沙泵7 inch sand pump 進料7寸;出料6寸 Feed 7 inches; discharge 6 inches 輸送距離40-60米,揚程10米The conveying distance is 40-60m and the lift is 10m 流量Flow:360m3 /h 配帶出料管道(橡膠鋼絲管)30米 Equipped with discharge pipe (rubber steel pipe) 30m 8.料箱 板厚12mm;容積約5.7m3 1套 9.PLC控制柜Power Distribution Box 開關品牌:德力西 Switch brand: Delixi含至設備電機線,不含電纜線 Including motor line to equipment, excluding cable line |
1套(set) |
|
|
|
|
跳汰機 |
跳汰室形狀:矩形 跳汰室面積:8m2 沖 程:M20、M25、M30 沖 次: 60-120次/分 給礦粒度: 小于10mm 補加水量:150-220立方/小時 補加水壓力:不小于0.1Mpa 處理量: 10~25噸/h 電機功率: 5.5Kw×3臺 外形尺寸:6024×2010×2610 重量: 5400KG 處理量有可能超出參數。 傳動方式:叁傳動。 排礦方式:篩下排礦。 |
1臺(set) |
|
|
|
|
跳汰機牽引雪橇式底座 |
|
1套 |
|
|
|
|
水泵 Water pump |
|
1臺(set) |
|
|
|
|
柴油泵組 Diesel pump set |
柴油機+6寸泵 Diesel engine+6 inch pump |
1臺(set) |
|
|
|
|
配電柜 Electric box |
|
1套(pcs) |
|
|
|
含至設備電機線,不含電纜線 Including the eletric wire to machine, Excluding the cable |
總功率 Total power |
約300KW |
|||||
出廠價格 |
150-400T高嶺土鉭鈮礦鎢礦鉛鋅礦汞礦金銀礦寶石礦選礦設備價格15053659999來電詳詢¥元(不運費,稅率13%) |
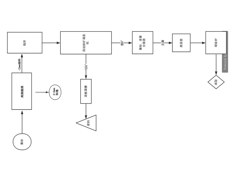
150-400T高嶺土鉭鈮礦鎢礦鉛鋅礦汞礦金銀礦寶石礦選礦設備工藝流程圖:
3 1#交叉洗礦車示意圖
交叉洗礦車
全自動選礦離心機
跳汰機